France

Nous travaillons en partenariat avec de nombreux concessionnaires officiels Kymco à travers le monde.
Vous pouvez sélectionner le pays de votre choix parmi ceux proposés dans la liste ci-dessous, quel que soit votre choix, nous pouvons vous livrer dans le monde entier !

uxv 500 1 Manuel atelier : Page 443

Microfiches
Saisissez la référence relevée ci-dessus
Image preview

Page 441

Image preview

Page 442

Image preview

Page 444

Image preview

Page 445

1 5 10 15 20 25 30 35 40 45 50 55 60 65 70 75 80 85 90 95 100 105 110 115 120 125 130 135 140 145 150 155 160 165 170 175 180 185 190 195 200 205 210 215 220 225 230 235 240 245 250 255 260 265 270 275 280 285 290 295 300 305 310 315 320 325 330 335 340 345 350 355 360 365 370 375 380 385 390 395 400 405 410 415 420 425 430 435 440 445 450 455 460 462
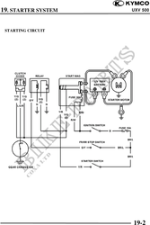
          19. STARTER SYSTEM                                                                            UXV 500


 SERVICE INFORMATION
 GENERAL
 · Always turn the ignition switch to "OFF" before servicing the starter motor. The motor could
   suddenly start, causing serious injury.
 · The starter motor can be serviced with the engine in the frame.
 · When checking the starter system, always follow the steps in the troubleshooting flow chart
   (page 19-2).
 · A weak battery may be unable to turn the starter motor quickly enough, or supply adequate
   ignition current.
 · If the current is kept flowing through the starter motor to turn it while the engine is not cranking
   over, the starter motor may be damaged.
 · See section 20 for following components:
       TM Ignition switch
       TM Starter switch
       TM Brake light switch

 SPECIAL TOOL
 Flywheel puller             A120E00060

 TORQUE
 Starter pulley nut          5.5 kgf-m (55 N-m, 40 lbf-ft)




19-3