Livraison offerte en point relais et en France métropolitaine pour toute commande supérieure à 120€. Voir conditions.
Choisissez votre pays
Nous travaillons en partenariat avec de nombreux concessionnaires officiels Kymco à travers le monde.
Vous pouvez sélectionner le pays de votre choix parmi ceux proposés dans la liste ci-dessous, quel que soit votre choix, nous pouvons vous livrer dans le monde entier !
Nous travaillons en partenariat avec de nombreux concessionnaires officiels Kymco à travers le monde.
Vous pouvez sélectionner le pays de votre choix parmi ceux proposés dans la liste ci-dessous, quel que soit votre choix, nous pouvons vous livrer dans le monde entier !
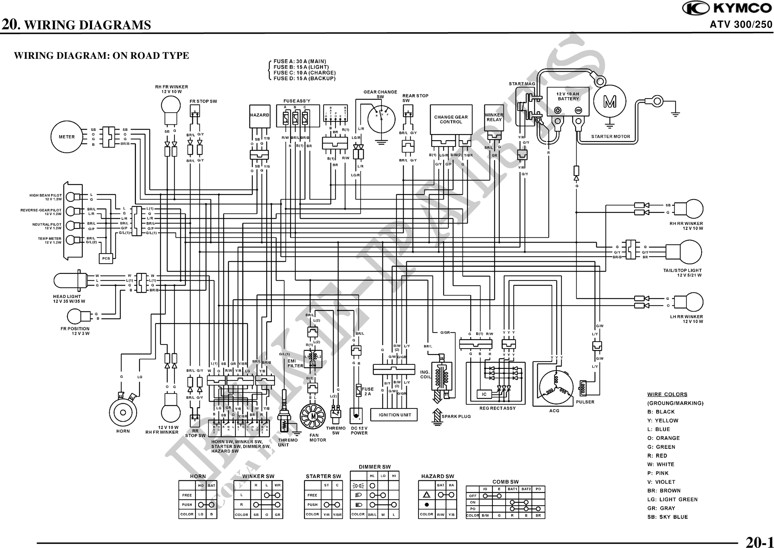
20. WIRING DIAGRAMS ATV 300/250
WIRING DIAGRAM: ON ROAD TYPE
20-1
Nous utilisons des cookies sur notre site pour réaliser des statistiques de visites. En cliquant sur J'accepte ou en poursuivant sur ce site vous acceptez l'utilisation de ces cookies.